DB视讯
全部
标题
内容
DB视讯
集团概况
集团简介
领导团队
群团组织架构
集团荣誉
建设资质
交通建设
企业开展
新闻中心
企业文化
依法治企
党建群团
党群工作
党史学习教育
所属企业
您现在的位置:
DB视讯
>> 招标采购 >> 正文
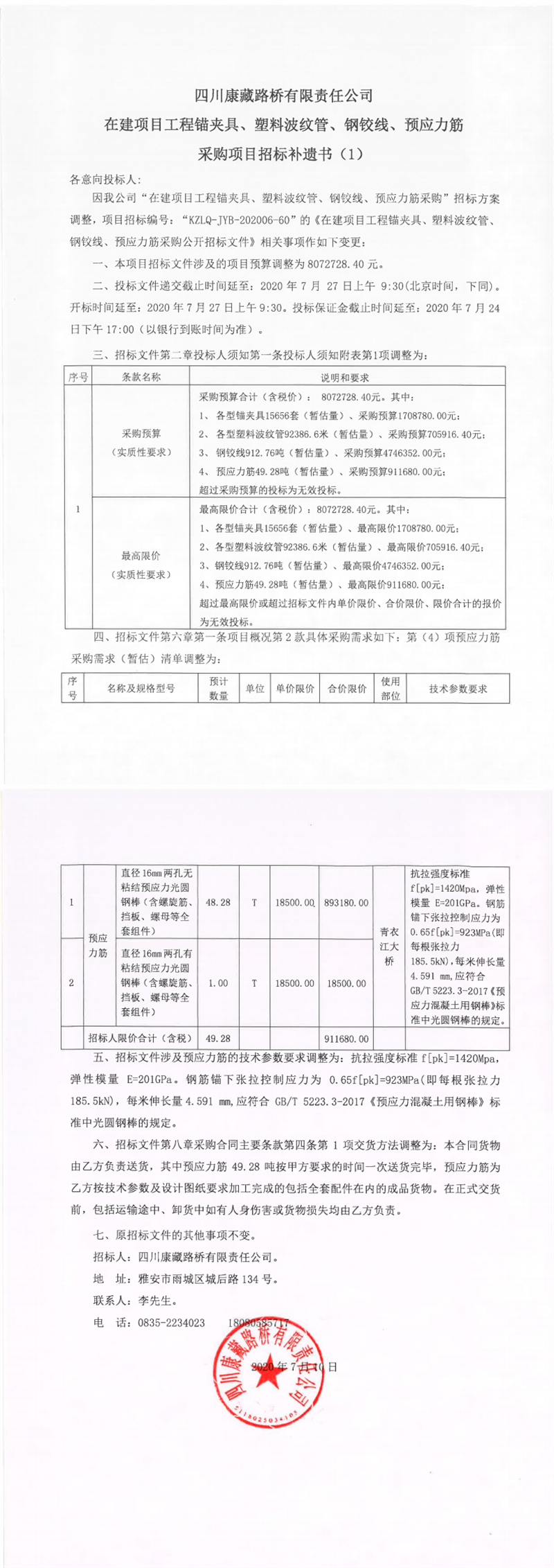
四川康藏路桥有限责任公司在建项目工程锚夹具、塑料波纹管、钢铰线、预应力筋采购项目招标补遗书(1)
【发布日期:2020-07-10】
【字号:
大
中
小
】 【
关闭此页
】
上一篇
:
DB视讯 集团无水港物流有限责任公司雅安市凤鸣综合物流园项目户外广告牌制作安装施工项目竞争性谈判公告
|
下一篇
:
四川康藏路桥有限责任公司宝兴分公司省道432线雅安段扩建工程K19新建拌合站施工劳务磋商公告(第二次)
版权所有 雅安市交通建设(集团)有限责任公司
地址:雅安市雨城区北环东路306号 集团公司办公室电话:0835-5897853
技术支持:北纬网(0835-2350262) 蜀ICP备18001252号 川公网安备 51180202511905号
分享按钮